您當前的位置:隔膜泵首頁--隔膜泵產品--XDBY型電動隔膜泵
XDBY型電動隔膜泵
產品名稱:XDBY型電動隔膜泵
XDBY型電動隔膜泵概述:
XDBY型電動隔膜泵采用XLD系列擺線針輪減速機傳動動力,電動隔膜泵是一種新型的泵類,近年來,由于在隔膜材質上取得了突破性的進展,國際上越來越多的工業化國家采用此種型式的泵,取代部份離心泵、螺桿泵,來應用于石化、陶瓷、冶金等行業,產品設計均參考美國ABEL公司樣機,該XDBY型電動隔膜泵適用于低壓,即出口壓力≤3kgf/cm2的場合。
XDBY型電動隔膜泵用途:
1、XDBY型電動隔膜泵各種劇毒、易燃、易揮發液體。
2、各種強酸、強堿、強腐蝕液體。
3、可輸送較高溫度的介質150℃。
4、作為各種壓濾機前級送壓裝置。
5、熱水回收及循環。
6、油罐車、油庫、油品裝卸。
7、泵吸泡菜果醬、土豆泥、巧克力等。
8、泵吸油漆、樹膠、顏料粘合劑。
9、各種瓷器釉漿水泥灌漿灰漿泥漿。
10、各種橡膠漿乳膠、有機溶劑、填料。
11、用泵為油輪駁船清倉吸取倉內污水及剩油。
12、啤酒花及發酵粉稀漿、糖漿、糖蜜。
13、泵吸礦井、坑道、隧道、下水道中污水、沉淀物。
14、各種特殊介質的吸送。
XDBY型電動隔膜泵技術參數:
流量:0-20m3/h;
揚程:30m;
功率:0.37-4kw;
轉速:1450r/min;
口徑:10-100mm;
溫度:-15-+150℃;
自吸高度:5-7m
XDBY型電動隔膜泵型號意義:
XDBY – 40
XDBY - 電動隔膜泵
40 - 進出口直徑(mm)
XDBY型電動隔膜泵性能參數:
| 型號 |
流量
(m3/h) |
揚程
(m) |
吸程
(m) |
配備功率
(KW) |
泵體材料 |
配備減速機型號 |
| 鑄鐵 |
鋁合金 |
不銹鋼 |
襯膠 |
|
| XDBY-10 |
0.75 |
30 |
3 |
0.55 |
☆ |
☆ |
☆ |
/ |
XLD3-35 |
| XDBY-15 |
1.5 |
30 |
3 |
0.55 |
☆ |
☆ |
☆ |
/ |
XLD3-35 |
| XDBY-20 |
2.5 |
30 |
3> |
1.5 |
☆ |
☆ |
☆ |
/ |
XLD3-35 |
| XDBY-25 |
3.5 |
30 |
4 |
1.5 |
☆ |
☆ |
☆ |
☆ |
XLD3-35 |
| XDBY-32 |
4 |
30 |
4 |
1.5 |
☆ |
☆ |
☆ |
☆ |
XLD3-35 |
| XDBY-40 |
4.5 |
30 |
4 |
1.5 |
☆ |
☆ |
☆ |
☆ |
XLD3-35 |
| XDBY-50 |
6.5 |
30 |
4.5 |
2.2 |
☆ |
☆ |
☆ |
☆ |
XLD3-35 |
| XDBY-65 |
8 |
30 |
4.5 |
2.2 |
☆ |
☆ |
☆ |
☆ |
XLD3-35 |
| XDBY-80 |
16 |
30 |
5 |
3 |
☆ |
☆ |
☆ |
/ |
XLF5-35 |
| XDBY-100 |
20 |
30 |
5 |
3 |
☆ |
☆ |
☆ |
/ |
XLD5-35 |
注:☆-有 /-無
XDBY型電動隔膜泵故障現象與排除:
| 故障現象 |
可能存在的原因 |
處理方案 |
| 流體中突然有氣泡 |
物料進口端連接處漏入空氣 |
緊固修復 |
| 氣動隔膜泵的隔膜膜破裂 |
更換 |
| 連桿(中心軸)螺栓松動 |
緊固或更換 |
| 氣閥內護塊“O”型圈損壞 |
更換 |
| 排氣口有物料排出 |
氣動隔膜泵的膜片破裂 |
更換 |
| 連桿(中心軸)螺栓松動 |
緊固或更換 |
| 泵在停頓時排出大量空氣 |
檢查空氣閥,“O”型環,閥板,定位塊,U型密封件,或定位銷“O”型環 |
檢修或更換 |
| 中心軸密封件磨損 |
更換 |
| 泵循環停止或停止無法保持壓力 |
檢查球體、球座或“O”型圈是否磨損 |
更換。 |
| 泵不工作,或循環一次即停止 |
檢查空氣閥阻塞或骯臟 |
拆卸和清潔空氣閥,使用過濾空氣 |
| 球體、球座磨損 |
更換閥球和閥座 |
| 隔膜泵工作無規律 |
氣動隔膜泵進口端管路阻塞 |
檢查;清理 |
| 球體粘附或泄漏。 |
清理或更換 |
| 膜片破裂。 |
更換 |
| 排出受限。 |
去除限制原因 |
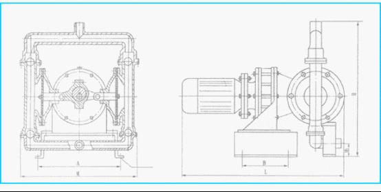
XDBY型電動隔膜泵外形尺寸圖:


XDBY型電動隔膜泵訂貨須知:
一、①產品名稱與XDBY型電動隔膜泵型號②XDBY型電動隔膜泵口徑③XDBY型電動隔膜泵揚程(m)④XDBY型電動隔膜泵流量⑤XDBY型電動隔膜泵電機功率(KW)⑥XDBY型電動隔膜泵轉速(r/min)⑦XDBY型電動隔膜泵電壓〔V〕⑧XDBY型電動隔膜泵材質⑨XDBY型電動隔膜泵是否帶附件以便我們的為您正確選型。
二、若已經由設計單位選定我公司的XDBY型電動隔膜泵產品型號,請按XDBY型電動隔膜泵型號直接向飛魯泵業銷售部訂購。
三、當使用的場合非常重要或環境比較復雜時,請您盡量提供設計圖紙和詳細參數,由我們飛魯泵業的技術專家為您審核把關。
上一篇:第四代氣動雙隔膜泵
下一篇:QBY型氣動隔膜泵
相關推薦:
DP型微型隔膜泵 QBX氣動隔膜泵 第四代氣動雙隔膜泵 |